Sparks Brain Preservation
A Non-profit Organization

Preserving the molecular architecture of the brain for future revival


We believe signing up for preservation is a rational choice in the face of uncertainty and that fighting death is a cause worth supporting.


23

People Preserved

11

Pets Preserved

78

Members

20

Years of Service

Why Choose Us?

A New Type of Cryonics

We use aldehyde fixation, which has been the gold standard for structural preservation in neuroscience for more than a century. No ice damage, no risk of thawing, and we can verify the results.

Practiced Procedures

Our team has performed preservation procedures on hundreds of donated human bodies and pets. When it matters, we're ready.

Research-Validated

We use volume electron microscopy to measure our preservation quality and publish peer-reviewed research. You don't have to take our word for it.

Physician-led procedures

Preservation performed with precision, experience, and care.

Nationwide Coverage

Picture showing current, under construction, and planned locations for Sparks Brain Preservation.

Advanced preservation science

Our research program uses donated tissue to refine protocols and validate preservation quality at every step.

Rapid Response

We coordinate early and deploy fast to achieve the best possible preservation outcome.

Our team

A dedicated group of full-time scientists and specialists focused exclusively on preservation.

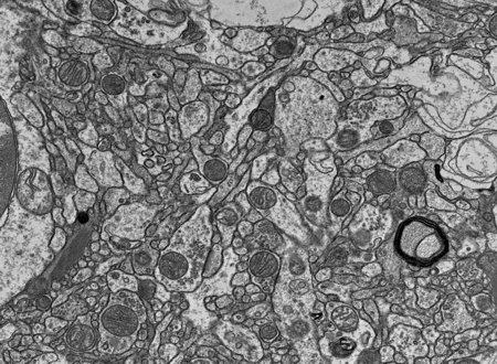
Ultrastructural validation

We measure our preservation quality in research cases at the nanoscale with cutting-edge volume electron microscopy.

Our Preservation Quality

FIB-SEM stack from the frontal cortex of a donated human research brain, that we preserved via perfusion fixation with 10% neutral buffered formalin after 4.5 hours of warm ischemia. This video shows sequential slices through the tissue, revealing the 3D structure of preserved neurons, axons, and other cellular structures.

For as long as it takes

Secure, permanent storage at our facility into the distant future, with no ongoing fees.

 

Curious to learn more?